0
Search
Genuine Parts
Genuine Kymco accessories
Search by part number
Search by model code / keywords
Part assignment
Log in
Contact
0
My cart
GBP
EUR
(€)
GBP
(£)
USD
($)
0
Log in
My Account
My Garage
My profile
My orders
My saved carts
Log out
My cart
Search
Genuine Parts
Genuine Kymco accessories
Search by part number
Search by model code / keywords
Part assignment
Contact
Country
GBP (£)
£
EUR
(€)
GBP
(£)
USD
($)
Continue shopping
Checkout
Choose your country
We work in partnership with many official Kymco dealers around the world.
You can select the country of your choice from the list below, whatever your choice, we can deliver worldwide!
Belgique (FR)
België (NL)
Deutschland
España
France
Italia
Nederland
Portugal
United Kingdom
Choose your country
We work in partnership with many official Kymco dealers around the world.
You can select the country of your choice from the list below, whatever your choice, we can deliver worldwide!
Belgique (FR)
België (NL)
Deutschland
España
France
Italia
Nederland
Portugal
United Kingdom
Kymco
Workshop-manual
kxr 50 90 2 Workshop-manual
Page 26
kxr 50 90 2 Workshop-manual : Page 26
Enter the part number above
Enter your part number
Page 24
Page 25
Page 27
Page 28
1
5
10
15
20
25
30
35
40
45
50
55
60
65
70
75
80
85
90
95
100
105
110
115
120
125
130
135
140
145
150
155
160
165
170
175
180
185
190
195
200
205
210
215
220
225
230
235
240
245
246
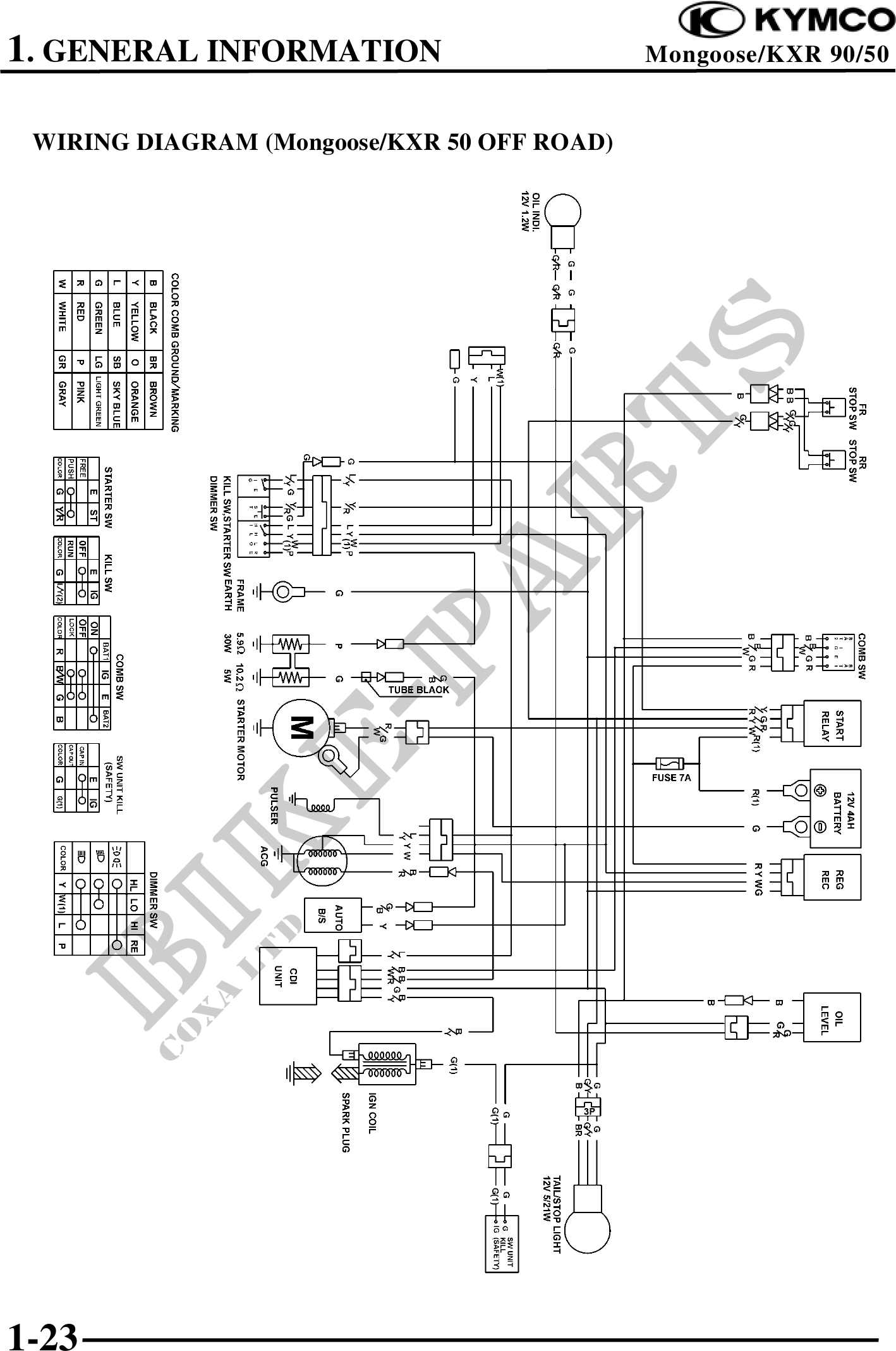
1. GENERAL INFORMATION Mongoose/KXR 90/50 WIRING DIAGRAM (Mongoose/KXR 50 OFF ROAD) 1-23
We use cookies on our site to collect statistics on visits. By clicking on I accept or by continuing on this site you accept the use of these cookies.
I accept
Confirm?