0
Search
Genuine Parts
Genuine Kymco accessories
Search by part number
Search by model code / keywords
Part assignment
Log in
Contact
0
My cart
GBP
EUR
(€)
GBP
(£)
USD
($)
0
Log in
My Account
My Garage
My profile
My orders
My saved carts
Log out
My cart
Search
Genuine Parts
Genuine Kymco accessories
Search by part number
Search by model code / keywords
Part assignment
Contact
Country
GBP (£)
£
EUR
(€)
GBP
(£)
USD
($)
Continue shopping
Checkout
Choose your country
We work in partnership with many official Kymco dealers around the world.
You can select the country of your choice from the list below, whatever your choice, we can deliver worldwide!
Belgique (FR)
België (NL)
Deutschland
España
France
Italia
Nederland
Portugal
United Kingdom
Choose your country
We work in partnership with many official Kymco dealers around the world.
You can select the country of your choice from the list below, whatever your choice, we can deliver worldwide!
Belgique (FR)
België (NL)
Deutschland
España
France
Italia
Nederland
Portugal
United Kingdom
Kymco
Workshop-manual
people 125 Workshop-manual
Page 16
people 125 Workshop-manual : Page 16
Enter the part number above
Enter your part number
Page 14
Page 15
Page 17
Page 18
1
5
10
15
20
25
30
35
40
45
50
55
60
65
70
75
80
85
90
95
100
105
110
115
120
125
130
135
140
145
150
155
160
165
170
175
180
185
186
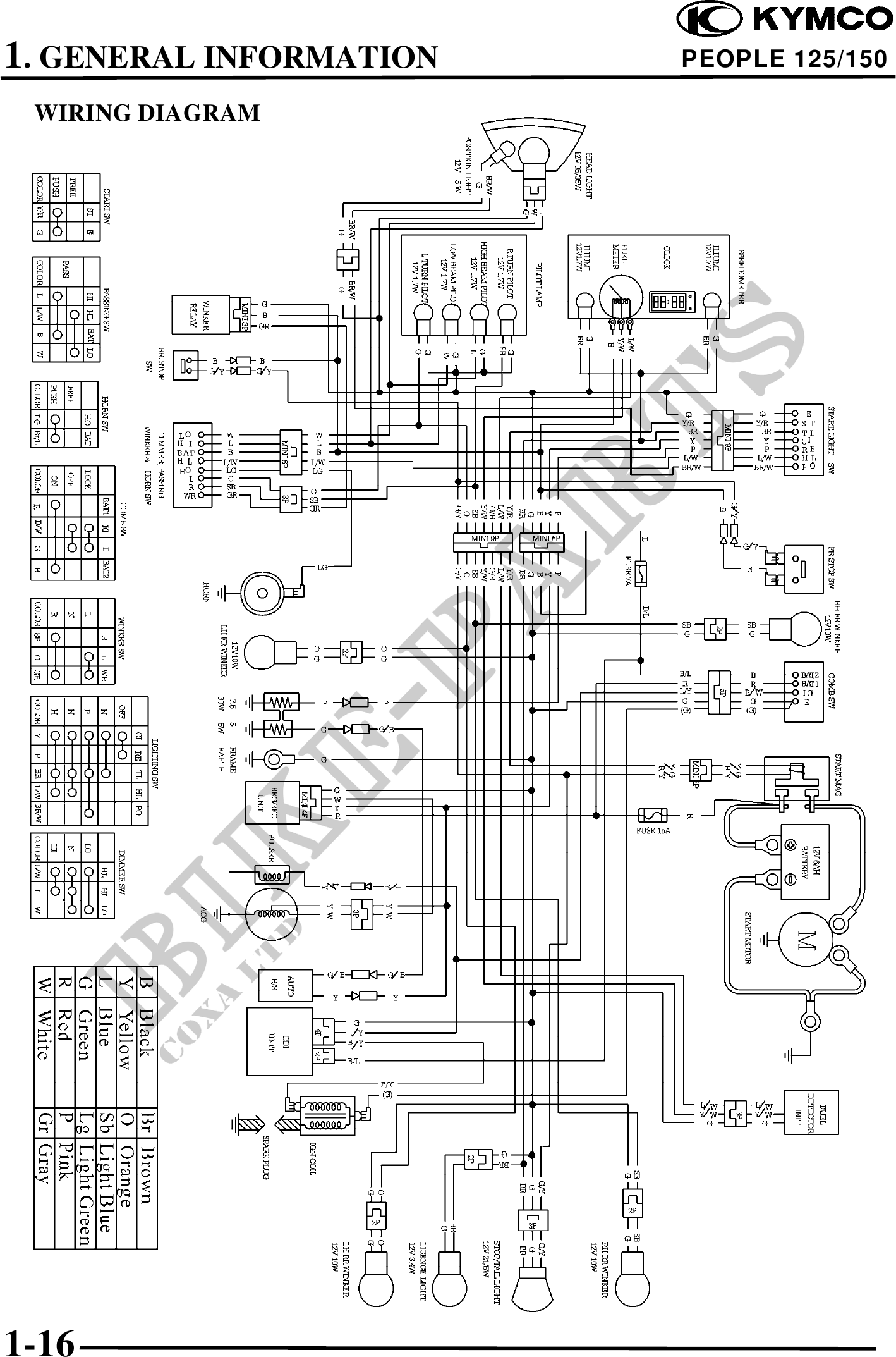
1. GENERAL INFORMATION PEOPLE 125/150 WIRING DIAGRAM 1-16
We use cookies on our site to collect statistics on visits. By clicking on I accept or by continuing on this site you accept the use of these cookies.
I accept
Confirm?